Classic Audi » Technical » Mech/Tech » Electrical problems » OBD adapter

Reply
 
Thread Tools Display Modes
Old 06-09-09, 08:14 AM   #1
moggies
Grown up member
 
moggies's Avatar
 
Join Date: Feb 2009
Location: Sunny South Coast
Posts: 112
Default OBD adapter

S6 1996, Please could anybody assist with the 2x2 obd connector under the bonnet.
I would like to wire up a later dlc connector so I can use vag com instead of trying to locate an adapter off thief-bay.
Does anyone know the pinouts? Thanks
moggies is offline   Reply With Quote
Old 06-09-09, 08:34 AM   #2
Puglife
==>PUGSPORT!<==
Classic Audi Club Member
 
Puglife's Avatar
 
Join Date: Jan 2008
Location: Leyland
Posts: 1,544
Default

There's a thread on s2forum, I've just wired the obd plug to a 16pin OBD2 plug for easy access to read ecu.
__________________
1986 UR Quattro - (1982) Lombard RAC Group 4 recreation - #24 H.Demuth/J.Daniels
1981 VW mk1 golf GTi - now 5cylinder and RWD.
Puglife is offline   Reply With Quote
Old 06-09-09, 08:48 AM   #3
moggies
Grown up member
 
moggies's Avatar
 
Join Date: Feb 2009
Location: Sunny South Coast
Posts: 112
Default

Thanks for that
moggies is offline   Reply With Quote
Old 06-09-09, 10:33 AM   #4
Puglife
==>PUGSPORT!<==
Classic Audi Club Member
 
Puglife's Avatar
 
Join Date: Jan 2008
Location: Leyland
Posts: 1,544
Default

Theres 4 wires... K and L wires are diagnostics, then a power 12v and an earth. The K & L wires have eyelet terminals that attach to the fusebox panel. Wire colours may vary but usually:

Green/Red - L
White/Red - K
__________________
1986 UR Quattro - (1982) Lombard RAC Group 4 recreation - #24 H.Demuth/J.Daniels
1981 VW mk1 golf GTi - now 5cylinder and RWD.
Puglife is offline   Reply With Quote
Old 06-09-09, 03:20 PM   #5
moggies
Grown up member
 
moggies's Avatar
 
Join Date: Feb 2009
Location: Sunny South Coast
Posts: 112
Default

Right, thanks again, I'm struggling with any and all of the electrics as I need to get hold of some info or a decent service manual. I have nothing to refer to. Do you have any suggestions, would rather keep away from Haynes if possible??
moggies is offline   Reply With Quote
Old 06-09-09, 05:06 PM   #6
spink
Senior Member
Classic Audi Club Member
 
Join Date: Dec 2007
Location: yorkshire
Posts: 1,525
Default

Quote:
Originally Posted by moggies View Post
Right, thanks again, I'm struggling with any and all of the electrics as I need to get hold of some info or a decent service manual. I have nothing to refer to. Do you have any suggestions, would rather keep away from Haynes if possible??
would the engine wiring diagrams be of use to you?
spink is offline   Reply With Quote
Old 06-09-09, 05:45 PM   #7
moggies
Grown up member
 
moggies's Avatar
 
Join Date: Feb 2009
Location: Sunny South Coast
Posts: 112
Default

Sure thing that would be great as I have oil and temp gauge issues, anything greatly appreciated. Could you email them to me or include with the package when you send?
Many thanks
moggies is offline   Reply With Quote
Old 06-09-09, 05:55 PM   #8
spink
Senior Member
Classic Audi Club Member
 
Join Date: Dec 2007
Location: yorkshire
Posts: 1,525
Default

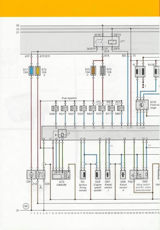
heres everything i have for the AAN,if you cant view them well enough i can print them out for you






spink is offline   Reply With Quote
Old 06-09-09, 07:05 PM   #9
moggies
Grown up member
 
moggies's Avatar
 
Join Date: Feb 2009
Location: Sunny South Coast
Posts: 112
Default

Brilliant, thanks
moggies is offline   Reply With Quote
Old 06-09-09, 10:34 PM   #10
Puglife
==>PUGSPORT!<==
Classic Audi Club Member
 
Puglife's Avatar
 
Join Date: Jan 2008
Location: Leyland
Posts: 1,544
Default

Got full schematics here. Also just rewired a whole loom into type 85 rally recreation so have a list of all wires/colours/sizes/source and purpose.

Will redo a PDF with it all cleaned up and clarified if i get a chance.
__________________
1986 UR Quattro - (1982) Lombard RAC Group 4 recreation - #24 H.Demuth/J.Daniels
1981 VW mk1 golf GTi - now 5cylinder and RWD.
Puglife is offline   Reply With Quote
Reply

Bookmarks


Posting Rules
You may not post new threads
You may not post replies
You may not post attachments
You may not edit your posts

BB code is On
Smilies are On
[IMG] code is On
HTML code is Off
Forum Jump


All times are GMT. The time now is 08:02 PM.

Powered by vBulletin®
Copyright ©2000 - 2026, Jelsoft Enterprises Ltd.
Copyright ©2007-2008 Classic Audi | Site by Roadrunna